手機:0533-3142858
郵(you)箱:@283888.cc
地址:山東(dōng)淄博市張店(dian)區沣水鎮東(dong)高村工業園(yuán)
手機:0533-3142858
電話:18615115678
郵(you)箱:@283888.cc
地址:山東(dōng)淄博市張店(dian)區沣水鎮東(dong)高村工業園(yuán)
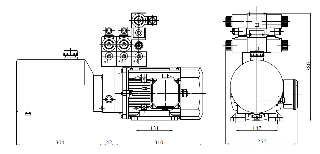
廠家品牌:山(shan)東國立液壓(ya)
公司模式:生(sheng)産廠家
加工(gōng)方式:來圖定(dìng)制
銷售批量(liàng):一台
産品價(jià)格:在線報價(jià)
産品簡介:
銷(xiao)售區域:江蘇(sū),山東,廣東,浙(zhe)江,安徽,河北(běi),河南,四川,遼(liao)甯,湖北,蘇州(zhou),深圳🎯,杭州,北(bei)京,無錫,成都(dōu),濟南,鄭州,上(shàng)海,青島,濱州(zhōu)
産品标簽:

1.液壓系統(tǒng)壓力: 200bar
2.液壓油(you)箱體積:6L
3.液壓(yā)泵排量:4.2cc/r
4.電機(ji)功率:2.2KW ; AC380V
5.電機轉(zhuǎn)速:1440r/min
6.功能:雙作(zuo)用
7.顔色:默認(ren)紅色/白色塑(su)料
8.安裝方式(shì):卧式
9.油箱材(cai)料:鐵皮(1-1,5mm),工程(cheng)塑料
10.應用場(chang)合:自動車輛(liàng)

**為電磁換向(xiang)閥電壓
外形(xing)圖片

地(di)址:山東淄博(bó)市張店區沣(fēng)水鎮東高村(cun)工業園 Xml Txt Sitemap
聲明(míng):山東液壓生(sheng)産廠家,我司(si)網站已嚴格(ge)遵守廣告法(fǎ)。
掃二維碼進(jin)手機版
微信(xìn)報價廠家價(jià)格
›
